经过时间测试的Waukesha Cherry-Burrell®旋转泵;周向活塞操作原理
在Waukesha Cherry-Burrell设计中,弧形的“活塞”(转子机翼)在泵体内加工的环形圆柱体中行驶;产生的长密封路径可减少滑板,并在没有破坏性脉冲或压力峰的情况下产生光滑的产品流量并且没有阀门或复杂零件。
对于低粘度流体
由Waukesha“ 88”合金制成的转子可以通过与316升不锈钢液头的密切间隙运行,而不会累积或抓住,应无意间压力潮流导致接触。近距离间隙与转子几何形状相结合,该几何形状在泵入口和出口之间提供了较长的密封路径,意味着低滑动操作。结果,您可以实现:高效率,良好的启动能力,计量能力和良好的流量控制。
FOR HIGH VISCOSITY FLUIDS
转子的大液体腔...加上大而易于进入的抗浪费端口,可以有效抽取高粘度流体,浆液,甚至液体,甚至具有大块或大块的液体
粒子。
用于非润滑和磨料流体
The Waukesha Cherry-Burrell design has no bearings in the fluid being pumped, no sliding or rolling contact and no rotor-to-rotor contact. This produces EXCELLENT SERVICE LIFE even under severe operating conditions.
型号014
0-800 RPM速度范围。1英寸放电端口;可选1½“可用的端口尺寸;适合200 psi(13.8 bar)差压力。温度范围-40°F(-40°c)到300°F(149°C)。
|
|
一种
|
aa
|
AOl
|
b
|
CP
|
CP1
|
CP4
|
dl
|
e
|
F
|
H
|
我
|
j
|
l
|
你
|
X
|
2倍
|
|---|---|---|---|---|---|---|---|---|---|---|---|---|---|---|---|---|---|
|
在 |
6.75 |
1.95 |
12.50 |
4.13 |
12.04 |
13.47 |
15.25 |
8.88 |
.38 |
2.31 |
.41 |
7.66 |
2.12 |
9.61 |
.875 |
3.63 |
7.11 |
|
毫米 |
171 |
50 |
318 |
105 |
306 |
342 |
387 |
226 |
10 |
59 |
10 |
195 |
54 |
244 |
22.23 |
92 |
181 |
|
|
C
|
CA
|
CB
|
CC
|
F A
|
fb
|
哈
|
PA
|
pb
|
个人电脑
|
PD
|
|---|---|---|---|---|---|---|---|---|---|---|---|
|
在 |
.50 |
1.62 |
6.50 |
.50 |
2.63 |
7.50 |
.41 |
1.44 |
4.94 |
.59 |
1.28 |
|
毫米 |
13 |
41 |
165 |
13 |
67 |
191 |
10 |
37 |
125 |
15 |
33 |
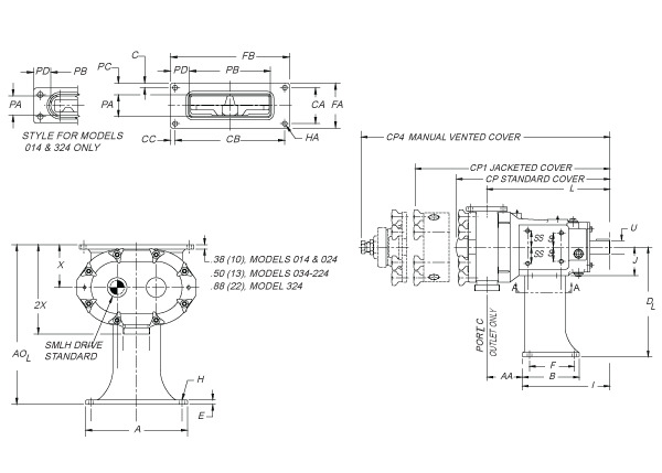
CP =标准盖,CP1 =外套盖,CP4 =手动通风盖,外套盖的连接尺寸为¾“ -14 NPT在型号014-U1至034-U1,1” -11-½NPT on Models 064-U1 and 134-U1.
尺寸为“ x”和“ 2x”申请斜角座,“ s” -clamp,“ q” -clamp,15i和14i配件。
大约运输重量70磅(32千克)泵。
NOTES:dimensions are for guidance purposes only. Contact your WCB Representative if more detailed measurements are needed. Waukesha Cherry-Burrell (WCB) curves are intended for use as an aid for preliminary selection of pumps by trained and qualified engineers. All selections must be reviewed by authorized WCB personnel prior to placing an order. WCB is not responsible for unauthorized or incorrect selections resulting from the use of these curves.
MODEL 024
0-800 RPM速度范围。1英寸放电端口;可选1½“可用的端口尺寸;适合200 psi(13.8 bar)差压力。温度范围-40°F(-40°c)到300°F(149°C)。
|
|
一种
|
aa
|
AOl
|
b
|
CP
|
CP1
|
CP4
|
dl
|
e
|
F
|
H
|
我
|
j
|
l
|
你
|
X
|
2倍
|
|---|---|---|---|---|---|---|---|---|---|---|---|---|---|---|---|---|---|
|
在 |
6.75 |
2.18 |
12.50 |
4.13 |
12.46 |
13.90 |
15.67 |
8.88 |
.38 |
2.31 |
.41 |
7.66 |
2.12 |
9.84 |
.875 |
3.63 |
7.11 |
|
毫米 |
171 |
55 |
318 |
105 |
316 |
353 |
398 |
226 |
10 |
59 |
10 |
195 |
54 |
250 |
22.23 |
92 |
181 |
|
|
C
|
CA
|
CB
|
CC
|
F A
|
fb
|
哈
|
PA
|
pb
|
个人电脑
|
PD
|
|---|---|---|---|---|---|---|---|---|---|---|---|
|
在 |
.50 |
2.00 |
7.00 |
.50 |
3.00 |
8.00 |
.41 |
1.75 |
5.13 |
.63 |
1.44 |
|
毫米 |
13 |
51 |
178 |
13 |
76 | 203 |
10 |
44 |
130 |
15 |
37 |
CP =标准盖,CP1 =外套盖,CP4 =手动通风盖,外套盖的连接尺寸为¾“ -14 NPT在型号014-U1至034-U1,1” -11-½NPT on Models 064-U1 and 134-U1.
尺寸为“ x”和“ 2x”申请斜角座,“ s” -clamp,“ q” -clamp,15i和14i配件。
近似运输重量75磅(34千克)泵。
NOTES:dimensions are for guidance purposes only. Contact your WCB Representative if more detailed measurements are needed. Waukesha Cherry-Burrell (WCB) curves are intended for use as an aid for preliminary selection of pumps by trained and qualified engineers. All selections must be reviewed by authorized WCB personnel prior to placing an order. WCB is not responsible for unauthorized or incorrect selections resulting from the use of these curves.
MODEL 034
0-800 RPM速度范围。1英寸放电端口;可选1½“可用的端口尺寸;适合200 psi(13.8 bar)差压力。温度范围-40°F(-40°c)到300°F(149°C)。
|
|
一种
|
aa
|
AOl
|
b
|
CP
|
CP1
|
CP4
|
dl
|
e
|
F
|
H
|
我
|
j
|
l
|
你
|
X
|
2倍
|
|---|---|---|---|---|---|---|---|---|---|---|---|---|---|---|---|---|---|
|
在 |
8.00 |
2.88 |
12.75 |
4.25 |
14.58 |
16.42 |
17.67 |
8.88 |
.38 |
3.00 |
.44 |
8.49 |
2.62 |
11.36 |
1.250 |
3.88 |
8.12 |
|
毫米 |
203 |
73 |
324 |
108 |
370 |
417 |
449 |
226 |
10 |
76 |
11 |
216 |
67 |
289 |
31.75 |
99 |
206 |
|
|
C
|
CA
|
CB
|
CC
|
F A
|
fb
|
哈
|
PA
|
pb
|
个人电脑
|
PD
|
|---|---|---|---|---|---|---|---|---|---|---|---|
|
在 |
.62 |
1.88 |
10.75 |
.62 |
3.12 |
12.00 |
.53 |
1081 |
6.84 |
.66 |
2.58 |
|
毫米 |
16 |
48 |
273 |
16 |
79 |
305 |
13 |
46 |
174 |
17 |
66 |
CP =标准盖,CP1 =外套盖,CP4 =手动通风盖,外套盖的连接尺寸为¾“ -14 NPT在型号014-U1至034-U1,1” -11-½NPT on Models 064-U1 and 134-U1.
尺寸为“ x”和“ 2x”申请斜角座,“ s” -clamp,“ q” -clamp,15i和14i配件。
一种pproximate shipping weight 140 lb. (64 kg.) pump only.
NOTES:dimensions are for guidance purposes only. Contact your WCB Representative if more detailed measurements are needed. Waukesha Cherry-Burrell (WCB) curves are intended for use as an aid for preliminary selection of pumps by trained and qualified engineers. All selections must be reviewed by authorized WCB personnel prior to placing an order. WCB is not responsible for unauthorized or incorrect selections resulting from the use of these curves.
MODEL 064
0-800 RPM速度范围。1英寸放电端口;可选1½“可用的端口尺寸;适合200 psi(13.8 bar)差压力。温度范围-40°F(-40°c)到300°F(149°C)。
|
|
一种
|
aa
|
AOl
|
b
|
CP
|
CP1
|
CP4
|
dl
|
e
|
F
|
H
|
我
|
j
|
l
|
你
|
X
|
2倍
|
|---|---|---|---|---|---|---|---|---|---|---|---|---|---|---|---|---|---|
|
在 |
11.75 |
4.35 |
13.94 |
7.00 |
18.91 |
20.69 |
22.07 |
9.00 |
.50 |
5.50 |
.56 |
10.77 |
3.50 |
15.16 |
1.625 |
4.94 |
10.31 |
|
毫米 |
298 |
110 |
354 |
178 |
480 |
526 |
561 |
229 |
13 |
140 |
14 |
274 |
89 |
385 |
41.28 |
125 |
262 |
|
|
C
|
CA
|
CB
|
CC
|
F A
|
fb
|
哈
|
PA
|
pb
|
个人电脑
|
PD
|
|---|---|---|---|---|---|---|---|---|---|---|---|
|
在 |
.50 |
4.00 |
12.20 |
.52 |
5.00 |
13.23 |
.53 |
2.44 |
9.00 |
1.28 |
2.11 |
|
毫米 |
13 |
102 |
310 |
13 |
127 |
336 |
13 |
62 |
229 |
33 |
54 |
CP =标准盖,CP1 =外套盖,CP4 =手动通风盖,外套盖的连接尺寸为¾“ -14 NPT在型号014-U1至034-U1,1” -11-½NPT on Models 064-U1 and 134-U1.
尺寸为“ x”和“ 2x”申请斜角座,“ s” -clamp,“ q” -clamp,15i和14i配件。
一种pproximate shipping weight 297 lb. (135 kg.) pump only.
NOTES:dimensions are for guidance purposes only. Contact your WCB Representative if more detailed measurements are needed. Waukesha Cherry-Burrell (WCB) curves are intended for use as an aid for preliminary selection of pumps by trained and qualified engineers. All selections must be reviewed by authorized WCB personnel prior to placing an order. WCB is not responsible for unauthorized or incorrect selections resulting from the use of these curves.
型号134
0-800 RPM速度范围。1英寸放电端口;可选1½“可用的端口尺寸;适合200 psi(13.8 bar)差压力。温度范围-40°F(-40°c)到300°F(149°C)。
|
|
一种
|
aa
|
AOl
|
b
|
CP
|
CP1
|
CP4
|
dl
|
e
|
F
|
H
|
我
|
j
|
l
|
你
|
X
|
2倍
|
|---|---|---|---|---|---|---|---|---|---|---|---|---|---|---|---|---|---|
|
在 |
11.75 |
5.00 |
13.94 |
7.00 |
19.85 |
21.63 |
23.01 |
9.00 |
.50 |
5.50 |
.56 |
10.77 |
3.50 |
15.78 |
1.625 |
4.94 |
10.31 |
|
毫米 |
298 |
127 |
354 |
178 |
504 |
549 |
584 |
229 |
13 |
140 |
14 |
274 |
89 |
401 |
41.28 |
125 |
262 |
|
|
C
|
CA
|
CB
|
CC
|
F A
|
fb
|
哈
|
PA
|
pb
|
个人电脑
|
PD
|
|---|---|---|---|---|---|---|---|---|---|---|---|
|
在 |
.78 |
3.00 |
14.00 |
.63 |
4.55 |
15.25 |
.53 |
3.19 |
9.38 |
.68 |
2.94 |
|
毫米 |
20 |
76 |
356 |
16 |
116 |
387 |
13 |
81 |
238 |
17 |
75 |
CP =标准盖,CP1 =外套盖,CP4 =手动通风盖,外套盖的连接尺寸为¾“ -14 NPT在型号014-U1至034-U1,1” -11-½NPT on Models 064-U1 and 134-U1.
尺寸为“ x”和“ 2x”申请斜角座,“ s” -clamp,“ q” -clamp,15i和14i配件。
大约运输重量为317磅(144千克)泵。
NOTES:dimensions are for guidance purposes only. Contact your WCB Representative if more detailed measurements are needed. Waukesha Cherry-Burrell (WCB) curves are intended for use as an aid for preliminary selection of pumps by trained and qualified engineers. All selections must be reviewed by authorized WCB personnel prior to placing an order. WCB is not responsible for unauthorized or incorrect selections resulting from the use of these curves.
型号224
0-800 RPM速度范围。1英寸放电端口;可选1½“可用的端口尺寸;适合200 psi(13.8 bar)差压力。温度范围-40°F(-40°c)到300°F(149°C)。
|
|
一种
|
aa
|
AOl
|
b
|
CP
|
CP1
|
CP4
|
dl
|
e
|
F
|
H
|
我
|
j
|
l
|
你
|
X
|
2倍
|
|---|---|---|---|---|---|---|---|---|---|---|---|---|---|---|---|---|---|
|
在 |
15.00 |
4.75 |
19.75 |
9.50 |
23.37 |
- |
27.87 |
13.50 |
.63 |
8.25 |
.56 |
13.74 |
4.50 |
18.49 |
2.00 |
6.25 |
12.87 |
|
毫米 |
381 |
121 |
502 |
241 |
594 |
- |
708 |
343 |
16 |
210 |
14 |
349 |
114 |
470 |
50.80 |
159 |
327 |
|
|
C
|
CA
|
CB
|
CC
|
F A
|
fb
|
哈
|
PA
|
pb
|
个人电脑
|
PD
|
|---|---|---|---|---|---|---|---|---|---|---|---|
|
在 |
.63 |
4.37 |
16.75 |
.63 |
5.62 |
18.00 |
.53 |
4.06 |
11.25 |
.78 |
3.38 |
|
毫米 |
16 |
111 |
425 |
16 |
143 |
457 |
13 |
103 |
286 |
20 |
86 |
CP =标准盖,CP1 =外套盖,CP4 =手动通风盖,外套盖的连接尺寸为¾“ -14 NPT在型号014-U1至034-U1,1” -11-½NPT on Models 064-U1 and 134-U1.
尺寸为“ x”和“ 2x”申请斜角座,“ s” -clamp,“ q” -clamp,15i和14i配件。
一种pproximate shipping weight 580 lb. (263 kg.) pump only.
NOTES:dimensions are for guidance purposes only. Contact your WCB Representative if more detailed measurements are needed. Waukesha Cherry-Burrell (WCB) curves are intended for use as an aid for preliminary selection of pumps by trained and qualified engineers. All selections must be reviewed by authorized WCB personnel prior to placing an order. WCB is not responsible for unauthorized or incorrect selections resulting from the use of these curves.
324型
0-800 RPM速度范围。1½“放电端口;可选1½“可用的端口尺寸;适合200 psi(13.8 bar)差压力。温度范围-40°F(-40°c)到300°F(149°C)。
|
|
一种
|
aa
|
AOl
|
b
|
CP
|
CP1
|
CP4
|
dl
|
e
|
F
|
H
|
我
|
j
|
l
|
你
|
X
|
2倍
|
|---|---|---|---|---|---|---|---|---|---|---|---|---|---|---|---|---|---|
|
在 |
18.00 |
6.56 |
36.00 |
12.00 |
30.17 |
- |
- |
27.13 |
.75 |
9.50 |
.69 |
16.86 |
5.06 |
23.42 |
2.375 |
8.87 |
17.88 |
|
毫米 |
457 |
167 |
914 |
305 |
766 |
- |
708 |
689 |
19 |
241 |
18 |
137 |
129 |
595 |
60.33 |
225 |
454 |
|
|
C
|
CA
|
CB
|
CC
|
F A
|
fb
|
哈
|
PA
|
pb
|
个人电脑
|
PD
|
|---|---|---|---|---|---|---|---|---|---|---|---|
|
在 |
.63 |
8.25 |
18.50 |
.69 |
9.50 |
19.88 |
.66 |
5.00 |
17.38 |
2.25 |
1.25 |
|
毫米 |
16 |
210 |
470 |
18 |
241 |
505 |
17 |
127 |
441 |
57 |
32 |
CP =标准盖,CP1 =外套盖,CP4 =手动通风盖,外套盖的连接尺寸为¾“ -14 NPT在型号014-U1至034-U1,1” -11-½NPT on Models 064-U1 and 134-U1.
尺寸为“ x”和“ 2x”申请斜角座,“ s” -clamp,“ q” -clamp,15i和14i配件。
近似运输重量918磅(416千克)泵。
NOTES:dimensions are for guidance purposes only. Contact your WCB Representative if more detailed measurements are needed. Waukesha Cherry-Burrell (WCB) curves are intended for use as an aid for preliminary selection of pumps by trained and qualified engineers. All selections must be reviewed by authorized WCB personnel prior to placing an order. WCB is not responsible for unauthorized or incorrect selections resulting from the use of these curves.
Click on the links below to download pump model performance curves for Universal 1 Series Rectangular Flange Positive Displacement pumps.
-
你niversal 1 Series Rectangular Flange - Model 014 - Performance Curve - 95-07146 ||PDF
-
你niversal 1 Series Rectangular Flange - Model 024 - Performance Curve - 95-07147 ||PDF
-
通用1系列矩形法兰 - 型号034-性能曲线-95-07148 ||PDF
-
通用1系列矩形法兰 - 型号064-性能曲线-95-07149 ||PDF
-
通用1系列矩形法兰 - 型号134-性能曲线-95-07150 ||PDF
-
通用1系列矩形法兰 - 型号224-性能曲线-95-07151 ||PDF
-
你niversal 1 Series Rectangular Flange - Model 324 - Performance Curve - 95-07152 ||PDF




