宣布通用3系列PD泵已经被命名为一个赢家的流体处理类别工厂工程杂志2018年度产品!
普遍的3系列是最新的除了沃基肖SPX流容积泵的家庭。yabo体育首页它提供了一个前装密封设计没有轴承的产品区。工作压力能力500 psi(34.5条)和标准316 l不锈钢阀体和阀盖使这一个有吸引力的卫生泵的选择对你最具挑战性的应用在食品和饮料行业。组装和测试在Delavan WI“沃基肖88”non-galling转子和一个标准的304不锈钢齿轮箱提供了一个理想的流体传输解决方案,能够承受日常处理的严酷环境。
长寿命特性
- 500 psi(34.5条)压力的能力
- 泵额定为300°F (149°C)作为标准
- 特殊的转子没有放松螺母为扩展服务
- 没有轴承产品区
- 新的轴短,大直径以PH值轴:
- 减少悬臂式的负载,提高轴对齐,减少密封和轴承磨损延长密封寿命。
- 提高轴的强度和刚度帮助消除振动
- 重型不锈钢轴承架标准
- 双圆锥滚子轴承
- 抹油款轴承为积极润滑轴承在整个速度、温度和压力范围内
- 身体保留期间保持机械密封接触检查螺丝
- 外密封寿命延长。一波春天,而不是一个o形环,机械加载密封
- 独特的机械密封设计利用2针固定密封和特殊设计轴旋转密封
- 泵终身™生命周期计划
- 买一个新的U3泵
- 保持与真正的SPX流部分yabo体育首页
- 泵“以旧换新泵再生的价格
经过时间考验的沃基肖Cherry-Burrell回转泵;circumferential-piston工作原理
在沃基肖Cherry-Burrell设计,弧形“活塞”(转子)旅游annular-shaped汽缸加工泵体;结果长封路径减少滑动并产生一个顺畅的产品没有破坏性或压力峰值和脉冲阀或复杂的部分。
低粘度液体
转子,由沃基肖“88”合金,可以运行与316 l不锈钢流体间隙密切的头,没有磨损或抓住无意的接触压力波动原因。关闭间隙与转子几何相结合,使长期密封泵的进口和出口之间的路径,意味着低滑动操作。因此,你实现:效率高,良好的起动能力、计量能力和良好的流控制。
对于高粘度的液体
转子的大型流体蛀牙,加上大,容易进入防空蚀端口,允许高效的高粘度液体泵,泥浆或甚至与大量液体
粒子。
NON-LUBRICATING和研磨液
华克夏Cherry-Burrell设计没有轴承的流体被注入,没有滑动或滚动接触和rotor-to-rotor接触。这生产优质服务的生活即使在严重的操作条件。
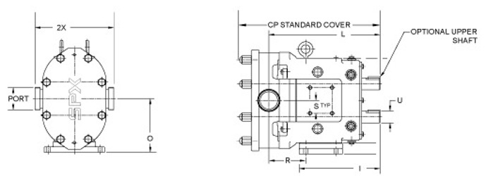
模式006 - u3
0 - 1000 RPM速度范围。1”(25毫米)进口/出口和1.5”(38毫米)可选进口/出口;适合300 PSI(20.7条)压差。温度范围-40°F (-40°C)到300°F (149°C)。
| R * | ||||||||||
|---|---|---|---|---|---|---|---|---|---|---|
| CP | 我 | l | O | 港口规模 | U +组织措施 | 2 x | U3 | U1、U2 | DIFF, U3和U1、U2之间 “R”黯淡。 |
|
| 在 |
12.42 |
7.61 |
10.04 |
4.21 |
1.00 |
0.88 |
6.97 |
3.23 |
2.79 | 0.40 |
| 毫米 |
315年 |
193年 |
255年 |
107年 |
推荐- - - - - - |
22 |
177年 |
82年 |
71年 | 11 |
*“R”维度对顾客转换从一个U1、U2 U3泵泵。所有其他维度U1、U2 / U3之间都是相同的。
注意:尺寸2 x”适用于斜座位,“S”夹,夹“问”,15我和14配件(320 - u3除外)
注意:只供参考尺寸。联系你的SPX流代表是否需yabo体育首页要更详细的测量。
大概的装船重量没有汽车或基地60磅。(27公斤。)
模式015 - u3
0 - 800 RPM速度范围。1.5”(38毫米)进口/出口;适合250 PSI(17.2条)压差。温度范围-40°F (-40°C)到300°F (149°C)。

| R * | ||||||||||
|---|---|---|---|---|---|---|---|---|---|---|
| CP | 我 | l | O | 港口规模 | U +组织措施 | 2 x | U3 | U1、U2 | DIFF, U3和U1、U2之间 “R”黯淡。 |
|
| 在 |
12.69 |
7.61 |
10.04 |
4.21 |
1.50 |
0.88 |
6.97 |
3.23 |
2.79 | 0.40 |
| 毫米 |
322年 |
193年 |
255年 |
107年 |
推荐- - - - - - |
22 |
177年 |
82年 |
71年 | 11 |
*“R”维度对顾客转换从一个U1、U2 U3泵泵。所有其他维度U1、U2 / U3之间都是相同的。
注意:尺寸2 x”适用于斜座位,“S”夹,夹“问”,15我和14配件(320 - u3除外)
注意:只供参考尺寸。联系你的SPX流代表是否需yabo体育首页要更详细的测量。
大概的装船重量没有汽车或基地62磅。(28公斤。)
模式018 - u3
0 - 700 RPM速度范围。1.5”(38毫米)进口/出口;和2.0“(64毫米)可选进口/出口;适合200 PSI(13.8条)压差。温度范围-40°F (-40°C)到300°F (149°C)。

| R * | ||||||||||
|---|---|---|---|---|---|---|---|---|---|---|
| CP | 我 | l | O | 港口规模 | U +组织措施 | 2 x | U3 | U1、U2 | DIFF, U3和U1、U2之间 “R”黯淡。 |
|
| 在 |
13.35 |
7.61 |
10.28 |
4.21 |
1.50 |
0.88 |
7.09 |
3.47 |
3.02 | 0.50 |
| 毫米 |
339年 |
193年 |
261年 |
107年 |
推荐- - - - - - |
22 |
180年 |
88年 |
77年 | 11.1 |
*“R”维度对顾客转换从一个U1、U2 U3泵泵。所有其他维度U1、U2 / U3之间都是相同的。
注意:尺寸2 x”适用于斜座位,“S”夹,夹“问”,15我和14配件(320 - u3除外)
注意:只供参考尺寸。联系你的SPX流代表是否需yabo体育首页要更详细的测量。
大概的装船重量没有汽车或基地65磅。(29公斤。)
模式030 - u3
0 - 600 RPM速度范围。1.5”(38毫米)进口/出口;和2.0“(64毫米)可选进口/出口;适合250 PSI(17.2条)压差。温度范围-40°F (-40°C)到300°F (149°C)。

| R * | ||||||||||
|---|---|---|---|---|---|---|---|---|---|---|
| CP | 我 | l | O | 港口规模 | U +组织措施 | 2 x | U3 | U1、U2 | DIFF, U3和U1、U2之间 “R”黯淡。 |
|
| 在 |
15.16 |
8.80 |
12.05 |
5.21 |
1.50 |
1.25 |
8.50 |
4.26 |
3.84 | 0.40 |
| 毫米 |
385年 |
224年 |
306年 |
132年 |
推荐- - - - - - |
32 |
216年 |
108年 |
98年 | 10.2 |
*“R”维度对顾客转换从一个U1、U2 U3泵泵。所有其他维度U1、U2 / U3之间都是相同的。
注意:尺寸2 x”适用于斜座位,“S”夹,夹“问”,15我和14配件(320 - u3除外)
注意:只供参考尺寸。联系你的SPX流代表是否需yabo体育首页要更详细的测量。
大概的装船重量没有汽车或基地114磅(52公斤)。
模式040 - u3
0 - 600 RPM速度范围。2.0”(51毫米)进口/出口;适合150 PSI(10.5条)压差。温度范围-40°F (-40°C)到300°F (149°C)。

| R * | ||||||||||
|---|---|---|---|---|---|---|---|---|---|---|
| CP | 我 | l | O | 港口规模 | U +组织措施 | 2 x | U3 | U1、U2 | DIFF, U3和U1、U2之间 “R”黯淡。 |
|
| 在 |
15.54 |
8.80 |
12.21 |
5.21 |
2.00 |
1.25 |
8.64 |
4.43 |
4.00 | 0.40 |
| 毫米 |
395年 |
224年 |
310年 |
132年 |
推荐- - - - - - |
32 |
219年 |
113年 |
102年 | 10.5 |
*“R”维度对顾客转换从一个U1、U2 U3泵泵。所有其他维度U1、U2 / U3之间都是相同的。
注意:尺寸2 x”适用于斜座位,“S”夹,夹“问”,15我和14配件(320 - u3除外)
注意:只供参考尺寸。联系你的SPX流代表是否需yabo体育首页要更详细的测量。
大概的装船重量没有汽车或基地117磅。(53公斤。)
模式045 - u3
0 - 600 RPM速度范围。2.0”(51毫米)进口/出口;适合450 PSI(31.0条)压差。温度范围-40°F (-40°C)到300°F (149°C)。

| R * | ||||||||||
|---|---|---|---|---|---|---|---|---|---|---|
| CP | 我 | l | O | 港口规模 | U +组织措施 | 2 x | U3 | U1、U2 | DIFF, U3和U1、U2之间 “R”黯淡。 |
|
| 在 |
19.11 |
11.00 |
14.84 |
7.31 |
2.00 |
1.63 |
10.75 |
4.72 |
4.73 | 相同 |
| 毫米 |
485年 |
279年 |
377年 |
186年 |
推荐- - - - - - |
41 |
273年 |
120年 |
120年 | 相同 |
*“R”维度对顾客转换从一个U1、U2 U3泵泵。所有其他维度U1、U2 / U3之间都是相同的。
注意:尺寸2 x”适用于斜座位,“S”夹,夹“问”,15我和14配件(320 - u3除外)
注意:只供参考尺寸。联系你的SPX流代表是否需yabo体育首页要更详细的测量。
大概的装船重量没有汽车或基地284磅(129公斤)。
模式060 - u3
0 - 600 RPM速度范围。2.5英寸(64毫米)进口/出口;和3.0“(76毫米)可选进口/出口;适合300 PSI(20.7条)压差。温度范围-40°F (-40°C)到300°F (149°C)。

| R * | ||||||||||
|---|---|---|---|---|---|---|---|---|---|---|
| CP | 我 | l | O | 港口规模 | U +组织措施 | 2 x | U3 | U1、U2 | DIFF, U3和U1、U2之间 “R”黯淡。 |
|
| 在 |
19.66 |
11.00 |
15.13 |
7.31 |
2.50 |
1.63 |
10.75 |
5.01 |
5.01 | 相同 |
| 毫米 |
499年 |
279年 |
384年 |
186年 |
推荐- - - - - - |
41 |
273年 |
127年 |
127年 | 相同 |
*“R”维度对顾客转换从一个U1、U2 U3泵泵。所有其他维度U1、U2 / U3之间都是相同的。
注意:尺寸2 x”适用于斜座位,“S”夹,夹“问”,15我和14配件(320 - u3除外)
注意:只供参考尺寸。联系你的SPX流代表是否需yabo体育首页要更详细的测量。
大概的装船重量没有汽车或基地290磅(132公斤)。
模式130 - u3
0 - 600 RPM速度范围。3.0英寸(76毫米)进口/出口;适合200 PSI(13.8条)压差。温度范围-40°F (-40°C)到300°F (149°C)。

| R * | ||||||||||
|---|---|---|---|---|---|---|---|---|---|---|
| CP | 我 | l | O | 港口规模 | U +组织措施 | 2 x | U3 | U1、U2 | DIFF, U3和U1、U2之间 “R”黯淡。 |
|
| 在 |
20.68 |
11.00 |
15.76 |
7.31 |
3.00 |
1.63 |
10.75 |
5.64 |
5.65 | 相同 |
| 毫米 |
525年 |
279年 |
400年 |
186年 |
推荐- - - - - - |
41 |
273年 |
143年 |
144年 | 相同 |
*“R”维度对顾客转换从一个U1、U2 U3泵泵。所有其他维度U1、U2 / U3之间都是相同的。
注意:尺寸2 x”适用于斜座位,“S”夹,夹“问”,15我和14配件(320 - u3除外)
注意:只供参考尺寸。联系你的SPX流代表是否需yabo体育首页要更详细的测量。
大概的装船重量没有汽车或基地310磅(141公斤)。
模式180 - u3
0 - 600 RPM速度范围。3.0英寸(76毫米)进口/出口;适合450 PSI(31.0条)压差。温度范围-40°F (-40°C)到300°F (149°C)。

| R * | ||||||||||
|---|---|---|---|---|---|---|---|---|---|---|
| CP | 我 | l | O | 港口规模 | U +组织措施 | 2 x | U3 | U1、U2 | DIFF, U3和U1、U2之间 “R”黯淡。 |
|
| 在 |
23.48 |
14.80 |
19.03 |
9.38 |
3.00 |
2.00 |
13.06 |
4.21 |
4.20 | 相同 |
| 毫米 |
596年 |
376年 |
483年 |
238年 |
推荐- - - - - - |
51 |
332年 |
107年 |
107年 | 相同 |
*“R”维度对顾客转换从一个U1、U2 U3泵泵。所有其他维度U1、U2 / U3之间都是相同的。
注意:尺寸2 x”适用于斜座位,“S”夹,夹“问”,15我和14配件(320 - u3除外)
注意:只供参考尺寸。联系你的SPX流代表是否需yabo体育首页要更详细的测量。
大概的装船重量没有汽车或基地498磅(226公斤)。
模式210 - u3
0 - 600 RPM速度范围。4.0英寸(102毫米)进口/出口;适合500 PSI(34.5条)压差。温度范围-40°F (-40°C)到300°F (149°C)。

| R * | ||||||||||
|---|---|---|---|---|---|---|---|---|---|---|
| CP | 我 | l | O | 港口规模 | U +组织措施 | 2 x | U3 | U1、U2 | DIFF, U3和U1、U2之间 “R”黯淡。 |
|
| 在 |
27.07 |
17.72 |
21.85 |
10.38 |
4.00 |
2.38 |
14.73 |
5.64 |
4.70 | 0.90 |
| 毫米 |
688年 |
450年 |
555年 |
264年 |
推荐- - - - - - |
60 |
374年 |
143年 |
119年 | 24.3 |
*“R”维度对顾客转换从一个U1、U2 U3泵泵。所有其他维度U1、U2 / U3之间都是相同的。
注意:尺寸2 x”适用于斜座位,“S”夹,夹“问”,15我和14配件(320 - u3除外)
注意:只供参考尺寸。联系你的SPX流代表是否需yabo体育首页要更详细的测量。
大概的装船重量没有汽车或基地510磅(231公斤)。
模式220 - u3
0 - 600 RPM速度范围。4.0英寸(102毫米)进口/出口;适合300 PSI(20.7条)压差。温度范围-40°F (-40°C)到300°F (149°C)。

| R * | ||||||||||
|---|---|---|---|---|---|---|---|---|---|---|
| CP | 我 | l | O | 港口规模 | U +组织措施 | 2 x | U3 | U1、U2 | DIFF, U3和U1、U2之间 “R”黯淡。 |
|
| 在 |
24.22 |
14.80 |
18.49 |
9.38 |
4.00 |
2.00 |
13.25 |
4.45 |
4.44 | 相同 |
| 毫米 |
615年 |
376年 |
470年 |
238年 |
推荐- - - - - - |
51 |
337年 |
113年 |
113年 | 相同 |
*“R”维度对顾客转换从一个U1、U2 U3泵泵。所有其他维度U1、U2 / U3之间都是相同的。
注意:尺寸2 x”适用于斜座位,“S”夹,夹“问”,15我和14配件(320 - u3除外)
注意:只供参考尺寸。联系你的SPX流代表是否需yabo体育首页要更详细的测量。
大概的装船重量没有汽车或基地748磅(339公斤)。
模式320 - u3
0 - 600 RPM速度范围。6.0英寸(152毫米)进口/出口;适合300 PSI(20.7条)压差。温度范围-40°F (-40°C)到300°F (149°C)。

| R * | ||||||||||
|---|---|---|---|---|---|---|---|---|---|---|
| CP | 我 | l | O | 港口规模 | U +组织措施 | 2 x | U3 | U1、U2 | DIFF, U3和U1、U2之间 “R”黯淡。 |
|
| 在 |
27.66 |
17.72 |
22.34 |
10.38 |
150 - 6.00 # FLG |
2.38 |
16.00 |
6.02 |
5.09 | 0.90 |
| 毫米 |
703年 |
450年 |
567年 |
264年 |
推荐- - - - - - |
60 |
406年 |
153年 |
129年 | 23.9 |
*“R”维度对顾客转换从一个U1、U2 U3泵泵。所有其他维度U1、U2 / U3之间都是相同的。
注意:尺寸2 x”适用于斜座位,“S”夹,夹“问”,15我和14配件(320 - u3除外)
注意:只供参考尺寸。联系你的SPX流代表是否需yabo体育首页要更详细的测量。
大概的装船重量没有汽车或基地817磅(371公斤)。
点击下面的链接下载泵模型通用的3系列正排量泵的性能曲线。
- 通用的3系列- 006型性能曲线- 95 - 07250 | |PDF
- 通用的3系列- 015型性能曲线- 95 - 07251 | |PDF
- 通用的3系列- 018型性能曲线- 95 - 07252 | |PDF
- 通用的3系列- 030型性能曲线- 95 - 07253 | |PDF
- 通用的3系列- 040型性能曲线- 95 - 07254 | |PDF
- 通用的3系列- 045型性能曲线- 95 - 07261 | |PDF
- 通用的3系列- 060型性能曲线- 95 - 07255 | |PDF
- 通用的3系列- 130型性能曲线- 95 - 07256 | |PDF
- 通用的3系列- 180型性能曲线- 95 - 07257 | |PDF
- 通用的3系列- 210型性能曲线- 95 - 07259 | |PDF
- 通用的3系列- 220型性能曲线- 95 - 07258 | |PDF
- 通用的3系列- 320型性能曲线- 95 - 07260 | |PDF








