经过时间考验的沃基肖Cherry-Burrell®回转泵;circumferential-piston工作原理
在沃基肖Cherry-Burrell设计,弧形“活塞”(转子)旅游annular-shaped汽缸加工泵体;结果长封路径减少滑动并产生一个顺畅的产品没有破坏性或压力峰值和脉冲阀或复杂的部分。
低粘度液体
转子,由沃基肖“88”合金,可以运行与316 l不锈钢流体间隙密切的头,没有磨损或抓住无意的接触压力波动原因。关闭间隙与转子几何相结合,使长期密封泵的进口和出口之间的路径,意味着低滑动操作。因此,你实现:效率高,良好的起动能力、计量能力和良好的流控制。
对于高粘度的液体
转子的大型流体蛀牙……加上大,容易进入防空蚀端口,允许高效的高粘度液体泵,泥浆甚至与大量液体或粒子。
NON-LUBRICATING和研磨液
华克夏Cherry-Burrell设计没有轴承的流体被注入,没有滑动或滚动接触和rotor-to-rotor接触。这生产优质服务的生活即使在严重的操作条件。
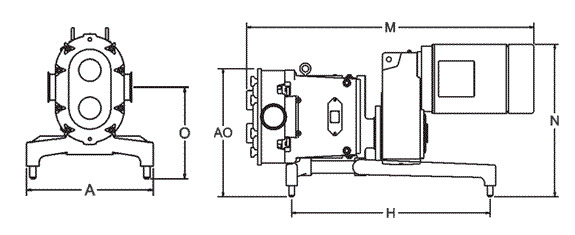
U1系列Tru-Fit®
| 模型 | 一个 | AO | H | 米 | 港口规模 | N | O | |
|---|---|---|---|---|---|---|---|---|
| 006 - u1 | 在 |
12 |
13.25 |
18 |
27.60 |
1½” |
15.56 |
9.15 |
毫米 |
305年 |
37 |
457年 |
701年 |
推荐- - - - - - |
395年 |
232年 |
|
| 015 - u1 | 在 |
12 |
13.25 |
18 |
27.60 |
1½” |
15.56 |
9.15 |
毫米 |
305年 |
37 |
457年 |
701年 |
推荐- - - - - - |
395年 |
232年 |
|
| 018 - u1 | 在 |
12 |
13.25 |
18 |
28.02 |
1½” |
15.56 |
9.15 |
毫米 |
305年 |
37 |
457年 |
712年 |
推荐- - - - - - |
395年 |
232年 |
|
| 030 - u1 | 在 |
14 |
15.11 |
20. |
33.67 |
1½” |
18.65 |
10.02 |
毫米 |
356年 |
384年 |
508年 |
855年 |
推荐- - - - - - |
474年 |
255年 |
|
| 040 - u1 | 在 |
14 |
15.11 |
20. |
34.04 |
2” |
18.65 |
10.02 |
毫米 |
356年 |
384年 |
508年 |
865年 |
推荐- - - - - - |
474年 |
255年 |
|
| 060 - u1 | 在 |
18 |
20.00 |
28 |
43.77 |
2½” |
22.02 |
12.00 |
毫米 |
457年 |
508年 |
711年 |
1112年 |
推荐- - - - - - |
559年 |
305年 |
|
| 130 - u1 | 在 |
18 |
20.00 |
28 |
44.71 |
3” |
22.02 |
12.00 |
毫米 |
457年 |
508年 |
711年 |
1136年 |
推荐- - - - - - |
559年 |
305年 |
|
| 220 - u1 | 在 |
20. |
23.25 |
36 |
52.25 |
4” |
27.68 |
14.50 |
毫米 |
508年 |
591年 |
914年 |
1327年 |
推荐- - - - - - |
703年 |
368年 |
U2系列Tru-Fit®
| 模型 | 一个 | AO | H | 米 | 港口规模 | N | O | |
|---|---|---|---|---|---|---|---|---|
| 006 - u2 | 在 |
12 |
13.25 |
18 |
27.31 |
1½” |
15.56 |
9.15 |
毫米 |
305年 |
37 |
457年 |
694年 |
推荐- - - - - - |
395年 |
232年 |
|
| 015 - u2 | 在 |
12 |
13.25 |
18 |
27.31 |
1½” |
15.56 |
9.15 |
毫米 |
305年 |
37 |
457年 |
694年 |
推荐- - - - - - |
395年 |
232年 |
|
| 018 - u2 | 在 |
12 |
13.25 |
18 |
27.31 |
1½” |
15.56 |
9.15 |
毫米 |
305年 |
37 |
457年 |
712年 |
推荐- - - - - - |
395年 |
232年 |
|
| 030 - u2 | 在 |
14 |
15.11 |
20. |
33.57 |
1½” |
18.65 |
10.02 |
毫米 |
356年 |
384年 |
508年 |
853年 |
推荐- - - - - - |
474年 |
255年 |
|
| 040 - u2 | 在 |
14 |
15.11 |
20. |
33.94 |
2” |
18.65 |
10.02 |
毫米 |
356年 |
384年 |
508年 |
862年 |
推荐- - - - - - |
474年 |
255年 |
|
| 060 - u2 | 在 |
18 |
20.00 |
28 |
43.72 |
2” |
22.02 |
12.00 |
毫米 |
457年 |
508年 |
711年 |
1112年 |
推荐- - - - - - |
559年 |
305年 |
|
| 130 - u2 | 在 |
18 |
20.00 |
28 |
45.01 |
3” |
22.02 |
12.00 |
毫米 |
457年 |
508年 |
711年 |
1143年 |
推荐- - - - - - |
559年 |
305年 |
|
| 180 - u2 | 在 |
20. |
23.25 |
36 |
50.02 |
3” |
25.91 |
14.50 |
毫米 |
508年 |
591年 |
914年 |
1270年 |
推荐- - - - - - |
658年 |
368年 |
|
| 220 - u2 | 在 |
20. |
23.25 |
36 |
50.76 |
4” |
25.91 |
14.50 |
毫米 |
508年 |
591年 |
914年 |
1289年 |
推荐- - - - - - |
658年 |
368年 |






