半个多世纪以来,沃基肖Cherry-Burrell®是一个领先的设计、制造和应用外部环形活塞(ECP)风格,旋转式容积泵。沃基肖泵在世界各地的服务和提供了许多重要的功能,包括:
- 316 l不锈钢的身体,封面和轴
- 警察清理容易拆卸
- 弹性体,符合FDA的要求
- 无菌型号
- 满足3卫生标准
长寿命特点:
- 200 psi(13.8条)压力的能力
- 没有轴承产品区
- 与大直径轴重型轴承架
- 积极的润滑的轴承润滑脂款轴承在整个速度,
温度和压力范围 - Non-galling沃基肖“88”合金转子标准;允许运行在更严格的
许可和泵广泛的粘度 - 再制造、检查和建议项目延长寿命,降低成本
安装特点:
- 双向流动。转子,关双果酱坚果,安全地在任意方向旋转。
- 没有流的方向/轴位置规范
- 多功能我家安装齿轮箱,包括垂直对齐的港口
- 上或下轴的位置
- 易于安装或将单一的机械密封o形环
- 互换与其他通用系列泵安装尺寸
经过时间考验的沃基肖Cherry-Burrell®回转泵;circumferential-piston工作原理
在沃基肖Cherry-Burrell设计,弧形“活塞”(转子)旅游annular-shaped汽缸加工泵体;结果长封路径减少滑动并产生一个顺畅的产品没有破坏性或压力峰值和脉冲阀或复杂的部分。
低粘度液体
转子,由沃基肖“88”合金,可以运行与316 l不锈钢流体间隙密切的头,没有磨损或抓住无意的接触压力波动原因。关闭间隙与转子几何相结合,使长期密封泵的进口和出口之间的路径,意味着低滑动操作。因此,你实现:效率高,良好的起动能力、计量能力和良好的流控制。
对于高粘度的液体
转子的大型流体蛀牙,加上大,容易进入防空蚀端口,允许高效的高粘度液体泵,泥浆或甚至与大量液体
粒子。
NON-LUBRICATING和研磨液
华克夏Cherry-Burrell设计没有轴承的流体被注入,没有滑动或滚动接触和rotor-to-rotor接触。这生产优质服务的生活即使在严重的操作条件。
模式006 - u1
0 - 800 RPM速度范围。1”标准端口大小;可选1½“2”端口大小可用;适合200 PSI(13.8条)压差。温度范围-40°F (-40°C) 300°F (149°C)。
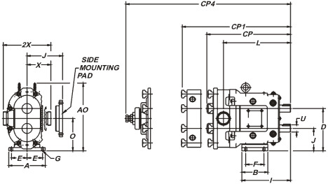
| 一个 | AO | B | CP | CP1 | CP4 | D | E | F | G | 我 | J | l | O | U | X | 2 x | |
|---|---|---|---|---|---|---|---|---|---|---|---|---|---|---|---|---|---|
|
在 |
4.75 |
8.30 |
3.75 |
12.04 |
13.47 |
15.25 |
5.50 |
1.94 |
2.31 |
.41点,槽 |
7.66 |
2.93 |
9.61 |
4.21 |
0.875 |
3.49 |
6.97 |
|
毫米 |
121年 |
211年 |
95年 |
306年 |
342年 |
387年 |
140年 |
49 |
59 |
10、槽 |
194年 |
74年 |
244年 |
107年 |
22 |
89年 |
177年 |
CP =标准封面,CP1 =夹套封面,CP4 =手动排放盖,连接尺寸夹套封面是¾”-14年《不扩散核武器条约》于006年模型- u1 030 - u1, 1”-11½不扩散核武器条约》于060年模型- u1和130 - u1。
维“X”和“2 X”申请斜角座位,“S”夹,夹“问”,15我配件和14。
大概的装船重量60磅。(27公斤。)
注意:尺寸仅供指导的目的。联系你WCB代表是否需要更详细的测量。
模式015 - u1
0 - 700 RPM速度范围。1½”标准端口大小;可选1”和“端口大小可用2;适合200 PSI(13.8条)压差。温度范围-40°F (-40°C)到300°F (149°C)。
| 一个 | AO | B | CP | CP1 | CP4 | D | E | F | G | 我 | J | l | O | U | X | 2 x | |
|---|---|---|---|---|---|---|---|---|---|---|---|---|---|---|---|---|---|
|
在
|
4.75 |
8.30 |
3.75 |
12.04 |
13.47 |
15.25 |
5.50 |
1.94 |
2.31 |
.41点,槽 |
7.66 |
2.93 |
9.61 |
4.21 |
0.875 |
3.49 |
6.97 |
|
毫米
|
121年 |
211年 |
95年 |
306年 |
342年 |
387年 |
140年 |
49 |
59 |
10、槽 |
194年 |
74年 |
244年 |
107年 |
22 |
89年 |
177年 |
CP =标准封面,CP1 =夹套封面,CP4 =手动排放盖,连接尺寸夹套封面是“-14年《不扩散核武器条约》于006年模型- u1 030 - u1, 1”-11年《不扩散核武器条约》于060年模型- u1和130 - u1。
维“X”和“2 X”申请斜角座位,“S”夹,夹“问”,15我配件和14。
大概的装船重量60磅。(27公斤。)
注意:尺寸仅供指导的目的。联系你WCB代表是否需要更详细的测量。
模式018 - u1
0 - 600 RPM速度范围。1½”标准端口大小;可选1”和“端口大小可用2;适合200 PSI(13.8条)压差。温度范围-40°F (-40°C)到300°F (149°C)。
| 一个 | AO | B | CP | CP1 | CP4 | D | E | F | G | 我 | J | l | O | U | X | 2 x | |
|---|---|---|---|---|---|---|---|---|---|---|---|---|---|---|---|---|---|
|
在
|
4.75 |
8.30 |
3.75 |
12.46 |
13.90 |
15.67 |
5.50 |
1.94 |
2.31 |
.41点,槽 |
7.66 |
2.93 |
9.84 |
4.21 |
0.875 |
3.55 |
7.09 |
|
毫米
|
121年 |
211年 |
95年 |
316年 |
353年 |
398年 |
140年 |
49 |
59 |
10、槽 |
194年 |
74年 |
250年 |
107年 |
22 |
90年 |
180年 |
CP =标准封面,CP1 =夹套封面,CP4 =手动排放盖,连接尺寸夹套封面是“-14年《不扩散核武器条约》于006年模型- u1 030 - u1, 1”-11年《不扩散核武器条约》于060年模型- u1和130 - u1。
维“X”和“2 X”申请斜角座位,“S”夹,夹“问”,15我配件和14。
大概的装船重量64磅。(29公斤。)
注意:尺寸仅供指导的目的。联系你WCB代表是否需要更详细的测量。
模式030 - u1
0 - 600 RPM速度范围。1½”标准端口大小;可选1”和“端口大小可用2;适合150 PSI(10条)压差。温度范围-40°F (-40°C)到300°F (149°C)。
| 一个 | AO | B | CP | CP1 | CP4 | D | E | F | G | 我 | J | l | O | U | X | 2 x | |
|---|---|---|---|---|---|---|---|---|---|---|---|---|---|---|---|---|---|
|
在
|
6.25 |
10.29 |
4.25 |
14.58 |
16.42 |
17.67 |
6.86 |
2.31 |
2.56 |
.41点,槽 |
8.83 |
3.56 |
11.61 |
5.21 |
1.250 |
4.25 |
8.50 |
|
毫米
|
159年 |
261年 |
108年 |
370年 |
417年 |
449年 |
174年 |
59 |
65年 |
10、槽 |
224年 |
90年 |
295年 |
132年 |
32 |
108年 |
216年 |
CP =标准封面,CP1 =夹套封面,CP4 =手动排放盖,连接尺寸夹套封面是“-14年《不扩散核武器条约》于006年模型- u1 030 - u1, 1”-11年《不扩散核武器条约》于060年模型- u1和130 - u1。
维“X”和“2 X”申请斜角座位,“S”夹,夹“问”,15我配件和14。
大概的装船重量130磅。(59公斤。)
注意:尺寸仅供指导的目的。联系你WCB代表是否需要更详细的测量。
模式040 - u1
0 - 600 RPM速度范围。2”标准端口大小;可选1½”和2½”端口大小可用;适合200 PSI(13.8条)压差。温度范围-40°F (-40°C)到300°F (149°C)。
| 一个 | AO | B | CP | CP1 | CP4 | D | E | F | G | 我 | J | l | O | U | X | 2 x | |
|---|---|---|---|---|---|---|---|---|---|---|---|---|---|---|---|---|---|
|
在
|
6.25 |
10.29 |
4.25 |
14.87 |
16.87 |
17.96 |
6.86 |
2.31 |
2.56 |
.41slot |
8.83 |
3.56 |
11.99 |
5.21 |
1.25 |
4.31 |
8.62 |
|
毫米
|
159年 |
261年 |
108年 |
378年 |
428年 |
456年 |
174年 |
59 |
65年 |
10槽 |
224年 |
90年 |
305年 |
132年 |
31.75 |
109年 |
219年 |
CP =标准封面,CP1 =夹套封面,CP4 =手动排放盖,连接尺寸夹套封面是“-14年《不扩散核武器条约》于006年模型- u1 030 - u1, 1”-11年《不扩散核武器条约》于060年模型- u1和130 - u1。
维“X”和“2 X”申请斜角座位,“S”夹,夹“问”,15我配件和14。
大概的装船重量140磅(64公斤)。
注意:尺寸仅供指导的目的。联系你WCB代表是否需要更详细的测量。
模式060 - u1
0 - 600 RPM速度范围。2½”标准端口大小;可选2”,3”端口大小可用;适合200 PSI(13.8条)压差。温度范围-40°F (-40°C)到300°F (149°C)。
| 一个 | AO | B | CP | CP1 | CP4 | D | E | F | G | 我 | J | l | O | U | X | 2 x | |
|---|---|---|---|---|---|---|---|---|---|---|---|---|---|---|---|---|---|
|
在
|
8.25 |
15.31 |
5.87 |
18.91 |
20.69 |
22.07 |
9.56 |
3.50 |
4.12 |
53 |
10.99 |
5.06 |
15.14 |
7.31 |
1.625 |
5.37 |
10.75 |
|
毫米
|
210年 |
389年 |
149年 |
480年 |
526年 |
561年 |
243年 |
89年 |
105年 |
13 |
279年 |
129年 |
385年 |
186年 |
41.28 |
136年 |
273年 |
CP =标准封面,CP1 =夹套封面,CP4 =手动排放盖,连接尺寸夹套封面是“-14年《不扩散核武器条约》于006年模型- u1 030 - u1, 1”-11年《不扩散核武器条约》于060年模型- u1和130 - u1。
维“X”和“2 X”申请斜角座位,“S”夹,夹“问”,15我配件和14。
大概的装船重量285磅(130公斤)。
注意:尺寸仅供指导的目的。联系你WCB代表是否需要更详细的测量。
模式130 - u1
0 - 600 RPM速度范围。3”标准端口大小;可选2½“4”端口大小可用;适合200 PSI(13.8条)压差。温度范围-40°F (-40°C)到300°F (149°C)。
| 一个 | AO | B | CP | CP1 | CP4 | D | E | F | G | 我 | J | l | O | U | X | 2 x | |
|---|---|---|---|---|---|---|---|---|---|---|---|---|---|---|---|---|---|
|
在
|
8.25 |
15.31 |
5.87 |
19.85 |
21.63 |
23.01 |
9.56 |
3.50 |
4.12 |
53 |
10.99 |
5.06 |
15.77 |
7.31 |
1.625 |
5.37 |
10.75 |
|
毫米
|
210年 |
389年 |
149年 |
504年 |
549年 |
584年 |
243年 |
89年 |
105年 |
13 |
279年 |
129年 |
401年 |
186年 |
41.28 |
136年 |
273年 |
CP =标准封面,CP1 =夹套封面,CP4 =手动排放盖,连接尺寸夹套封面是“-14年《不扩散核武器条约》于006年模型- u1 030 - u1, 1”-11年《不扩散核武器条约》于060年模型- u1和130 - u1。
维“X”和“2 X”申请斜角座位,“S”夹,夹“问”,15我配件和14。
大概的装船重量305磅(138公斤)。
注意:尺寸仅供指导的目的。联系你WCB代表是否需要更详细的测量。
模式220 - u1
0 - 600 RPM速度范围。4”标准端口大小;可选3”和6”端口大小可用;适合200 PSI(13.8条)压差。温度范围-40°F (-40°C)到300°F (149°C)。
| 一个 | AO | B | CP | CP1 | CP4 | D | E | F | G | 我 | J | l | O | U | X | 2 x | |
|---|---|---|---|---|---|---|---|---|---|---|---|---|---|---|---|---|---|
|
在
|
8.50 |
19.13 |
9.00 |
23.37 |
- - - |
27.87 |
12.38 |
3.75 |
7.25 |
53、槽 |
14.80 |
6.38 |
18.49 |
9.38 |
2.00 |
6.63 |
13.25 |
|
毫米
|
216年 |
486年 |
229年 |
594年 |
- - - |
708年 |
314年 |
95年 |
184年 |
13日,槽 |
376年 |
162年 |
470年 |
238年 |
50.80 |
168年 |
337年 |
CP =标准封面,CP1 =夹套封面,CP4 =手动排放盖,连接尺寸夹套封面是“-14年《不扩散核武器条约》于006年模型- u1 030 - u1, 1”-11年《不扩散核武器条约》于060年模型- u1和130 - u1。
维“X”和“2 X”申请斜角座位,“S”夹,夹“问”,15我配件和14。
大概的装船重量565磅(256公斤)。
注意:尺寸仅供指导的目的。联系你WCB代表是否需要更详细的测量。
模式320 - u1
0 - 600 RPM速度范围。6 ",150 #法兰标准端口大小;适合200 PSI(13.8条)压差。温度范围-40°F (-40°C)到300°F (149°C)。
| 一个 | AO | B | CP | CP1 | CP4 | D | E | F | G | 我 | J | l | O | U | X | 2 x | |
|---|---|---|---|---|---|---|---|---|---|---|---|---|---|---|---|---|---|
|
在
|
12.00 |
22.38 |
11.63 |
30.17 |
- - - |
- - - |
13.88 |
5.25 |
8.00 |
点 |
17.80 |
6.88 |
21.92 |
10.38 |
2.375 |
8.00 |
16.00 |
|
毫米
|
305年 |
568年 |
295年 |
766年 |
- - - |
- - - |
353年 |
133年 |
203年 |
17 |
452年 |
175年 |
557年 |
264年 |
60.45 |
203年 |
406年 |
CP =标准封面,CP1 =夹套封面,CP4 =手动排放盖,连接尺寸夹套封面是“-14年《不扩散核武器条约》于006年模型- u1 030 - u1, 1”-11年《不扩散核武器条约》于060年模型- u1和130 - u1。
维“X”和“2 X”申请斜角座位,“S”夹,夹“问”,15我配件和14。
大概的装船重量900磅(408公斤)。
注意:尺寸仅供指导的目的。联系你WCB代表是否需要更详细的测量。
点击下面的链接下载泵模型通用1系列正排量泵的性能曲线。
下载说明阅读正排量泵曲线| |PDF
- 通用系列1 - 006型性能曲线- 95 - 07133 | |PDF
- 通用系列1 - 015型性能曲线- 95 - 07134 | |PDF
- 通用系列1 - 018型性能曲线- 95 - 07135 | |PDF
- 通用系列1 - 030型性能曲线- 95 - 07136 | |PDF
- 通用系列1 - 040型性能曲线- 95 - 07241 | |PDF
- 通用系列1 - 060型性能曲线- 95 - 07137 | |PDF
- 通用系列1 - 130型性能曲线- 95 - 07138 | |PDF
- 通用系列1 - 220型性能曲线- 95 - 07139 | |PDF
- 通用系列1 - 320型性能曲线- 95 - 07140 | |PDF




