经过时间测试的Waukesha Cherry-Burrell®旋转泵;圆周活塞工作原理
在Waukesha Cherry-Burrell设计中,弧形“活塞”(旋翼)在泵体加工的环形气缸中运动;由此产生的长密封路径减少了滑移,并产生平滑的产品流动,没有破坏性脉冲或压力峰值,也没有阀门或复杂部件。
适用于低粘度流体
转子,由Waukesha“88”制成合金,可与316L不锈钢流体压头保持紧密的间隙运行,如果意外的压力波动导致接触,则无磨损或卡滞。紧密的间隙与转子几何结构相结合,在泵入口和出口之间提供了一条长的密封路径,这意味着低滑动操作。因此,您可以实现:高效率,good启动能力、计量能力和良好的流量控制。
适用于高粘度流体
转子的大型流体腔……加上大型、易于进入的防气蚀端口,允许高效泵送高粘度流体、泥浆,甚至是大块或大块液体
粒子。
用于非润滑和研磨性流体
Waukesha Cherry-Burrell设计在泵送的流体中没有轴承,没有滑动或滚动接触,也没有转子与转子之间的接触。即使在恶劣的工作条件下,也能产生出色的使用寿命。
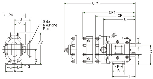
006-U2型
0-1000 RPM转速范围。1" (25.4 mm)和1½" (38.1 mm)端口尺寸可用;适用于300psi (20.7 bar)压差。温度范围-40°F(-40°C)到300°F(149°C)。
|
|
A.
|
敖
|
B
|
人物配对关系
|
CP1
|
CP4
|
D
|
E
|
F
|
G
|
我
|
J
|
L
|
O
|
U
|
十、
|
2X
|
|---|---|---|---|---|---|---|---|---|---|---|---|---|---|---|---|---|---|
|
在里面
|
4.75 |
8.3 |
3.75 |
11.71 |
13.92 |
14.92 |
5.50 |
1.94 |
2.31 |
.41插槽 |
7.66 |
2.93 |
9.61 |
4.21 |
.875 |
3.49 |
6.97 |
|
嗯
|
121 |
211 |
95 |
297 |
354 |
379 |
140 |
49 |
59 |
10槽 |
194 |
74 |
244 |
107 |
22.23 |
89 |
177 |
CP=标准盖,CP1=夹套盖,CP4=手动通风盖,夹套盖的连接尺寸在006-U2至030-U2型上为“-14 NPT,在042-U2至220-U2型上为1“-11-NPT。
尺寸“X”和“2X”适用于斜面阀座、“S”形夹、“Q”形夹、15I和14I管件(320 U2除外)。
大约装运重量56磅(25.4千克)。
笔记:尺寸仅供参考。如果需要更详细的测量,请联系您的WCB代表。Waukesha Cherry Burrell(WCB)曲线用于帮助经过培训和合格的工程师初步选择泵。所有选择必须在下订单之前由授权的WCB人员审查。WCB不对因使用这些曲线而导致的未经授权或错误选择负责。
015-U2型
0-1000 RPM转速范围。1½”(38.1 mm)端口尺寸可用;适用于250 PSI(17.2 bar)压差。温度范围-40°F(-40°C)至300°F(149°C)。
|
|
A.
|
敖
|
B
|
人物配对关系
|
CP1
|
CP4
|
D
|
E
|
F
|
G
|
我
|
J
|
L
|
O
|
U
|
十、
|
2X
|
|---|---|---|---|---|---|---|---|---|---|---|---|---|---|---|---|---|---|
|
在里面
|
4.75 |
8.3 |
3.75 |
11.71 |
13.92 |
14.92 |
5.50 |
1.94 |
2.31 |
.41插槽 |
7.66 |
2.93 |
9.61 |
4.21 |
.875 |
3.49 |
6.97 |
|
嗯
|
121 |
211 |
95 |
297 |
354 |
379 |
140 |
49 |
59 |
10槽 |
194 |
74 |
244 |
107 |
22.23 |
89 |
177 |
CP=标准盖,CP1=夹套盖,CP4=手动通风盖,夹套盖的连接尺寸在006-U2至030-U2型上为¾“-14 NPT,在042-U2至220-U2型上为1“-11-½NPT。
尺寸“X”和“2X”适用于斜面阀座、“S”形夹、“Q”形夹、15I和14I管件(320 U2除外)。
大约装运重量56磅(25.4千克)。
笔记:尺寸仅供参考。如果需要更详细的测量,请联系您的WCB代表。Waukesha Cherry Burrell(WCB)曲线用于帮助经过培训和合格的工程师初步选择泵。所有选择必须在下订单之前由授权的WCB人员审查。WCB不对因使用这些曲线而导致的未经授权或错误选择负责。
018-U2型
0-700 RPM转速范围。1½”(38.1 mm)和2”(50.8 mm)端口尺寸可用;适用于200 PSI(13.8 bar)压差。温度范围-40°F(-40°C)至300°F(149°C)。

|
|
A.
|
敖
|
B
|
人物配对关系
|
CP1
|
CP4
|
D
|
E
|
F
|
G
|
我
|
J
|
L
|
O
|
U
|
十、
|
2X
|
|---|---|---|---|---|---|---|---|---|---|---|---|---|---|---|---|---|---|
|
在里面
|
4.75 |
8.3 |
3.75 |
12.37 |
14.59 |
15.58 |
5.50 |
1.94 |
2.31 |
.41插槽 |
7.66 |
2.93 |
9.84 |
4.21 |
.875 |
3.49 |
6.97 |
|
嗯
|
121 |
211 |
95 |
314 |
371 |
396 |
140 |
49 |
59 |
10槽 |
194 |
74 |
250 |
107 |
22.23 |
89 |
177 |
CP=标准盖,CP1=夹套盖,CP4=手动通风盖,夹套盖的连接尺寸在006-U2至030-U2型上为¾“-14 NPT,在042-U2至220-U2型上为1“-11-½NPT。
尺寸“X”和“2X”适用于斜面阀座、“S”形夹、“Q”形夹、15I和14I管件(320 U2除外)。
装运重量约为65磅(29.5千克)。
笔记:尺寸仅供参考。如果需要更详细的测量,请联系您的WCB代表。Waukesha Cherry Burrell(WCB)曲线用于帮助经过培训和合格的工程师初步选择泵。所有选择必须在下订单之前由授权的WCB人员审查。WCB不对因使用这些曲线而导致的未经授权或错误选择负责。
模式030 - u2
0-600 RPM转速范围。1½”(38.1 mm)和2”(50.8 mm)端口尺寸可用;适用于250 PSI(17.2 bar)压差。温度范围-40°F(-40°C)至300°F(149°C)。

|
|
A.
|
敖
|
B
|
人物配对关系
|
CP1
|
CP4
|
D
|
E
|
F
|
G
|
我
|
J
|
L
|
O
|
U
|
十、
|
2X
|
|---|---|---|---|---|---|---|---|---|---|---|---|---|---|---|---|---|---|
|
在里面
|
6.25 |
10.29 |
4.25 |
14.49 |
16.49 |
17.58 |
6.86 |
2.31 |
2.56 |
.41插槽 |
8.83 |
3.56 |
11.61 |
5.21 |
1.25 |
4.25 |
8.5 |
|
嗯
|
159 |
261 |
108 |
368 |
419 |
447 |
174 |
59 |
65 |
10槽 |
224 |
90 |
295 |
132 |
31.75 |
108 |
216 |
CP=标准盖,CP1=夹套盖,CP4=手动通风盖,夹套盖的连接尺寸在006-U2至030-U2型上为¾“-14 NPT,在042-U2至220-U2型上为1“-11-½NPT。
尺寸“X”和“2X”适用于斜面阀座、“S”形夹、“Q”形夹、15I和14I管件(320 U2除外)。
大约装运重量130磅(59.0千克)。
笔记:尺寸仅供参考。如果需要更详细的测量,请联系您的WCB代表。Waukesha Cherry Burrell(WCB)曲线用于帮助经过培训和合格的工程师初步选择泵。所有选择必须在下订单之前由授权的WCB人员审查。WCB不对因使用这些曲线而导致的未经授权或错误选择负责。
模式040 - u2
0-600 RPM转速范围。2”(50.8 mm)端口尺寸可用;适用于150 PSI(10 bar)压差。温度范围-40°F(-40°C)至300°F(149°C)。

|
|
A.
|
敖
|
B
|
人物配对关系
|
CP1
|
CP4
|
D
|
E
|
F
|
G
|
我
|
J
|
L
|
O
|
U
|
十、
|
2X
|
|---|---|---|---|---|---|---|---|---|---|---|---|---|---|---|---|---|---|
|
在里面
|
6.25 |
10.29 |
4.25 |
14.87 |
16.87 |
17.96 |
6.86 |
2.31 |
2.56 |
.41插槽 |
8.83 |
3.56 |
11.99 |
5.21 |
1.25 |
4.31 |
8.62 |
|
嗯
|
159 |
261 |
108 |
378 |
428 |
456 |
174 |
59 |
65 |
10槽 |
224 |
90 |
305 |
132 |
31.75 |
109 |
219 |
CP=标准盖,CP1=夹套盖,CP4=手动通风盖,夹套盖的连接尺寸在006-U2至030-U2型上为¾“-14 NPT,在042-U2至220-U2型上为1“-11-½NPT。
尺寸“X”和“2X”适用于斜面阀座、“S”形夹、“Q”形夹、15I和14I管件(320 U2除外)。
大约装运重量140磅(64.0千克)。
笔记:尺寸仅供参考。如果需要更详细的测量,请联系您的WCB代表。Waukesha Cherry Burrell(WCB)曲线用于帮助经过培训和合格的工程师初步选择泵。所有选择必须在下订单之前由授权的WCB人员审查。WCB不对因使用这些曲线而导致的未经授权或错误选择负责。
060-U2型
0-600 RPM转速范围。2½”(63.5 mm)端口尺寸可用;适用于300 PSI(20.7 bar)压差。温度范围-40°F(-40°C)至300°F(149°C)。

|
|
A.
|
敖
|
B
|
人物配对关系
|
CP1
|
CP4
|
D
|
E
|
F
|
G
|
我
|
J
|
L
|
O
|
U
|
十、
|
2X
|
|---|---|---|---|---|---|---|---|---|---|---|---|---|---|---|---|---|---|
|
在里面
|
8.25 |
15.31 |
5.87 |
19.14 |
21.25 |
22.83 |
9.56 |
3.50 |
4.12 |
.53 |
10.99 |
5.06 |
15.14 |
7.31 |
1.625 |
5.37 |
10.75 |
|
嗯
|
210 |
389 |
149 |
486 |
540 |
580 |
243 |
89 |
105 |
13 |
279 |
129 |
385 |
186 |
41.28 |
136 |
273 |
CP=标准盖,CP1=夹套盖,CP4=手动通风盖,夹套盖的连接尺寸在006-U2至030-U2型上为“-14 NPT,在042-U2至220-U2型上为1“-11-NPT。
尺寸“X”和“2X”适用于斜面阀座、“S”形夹、“Q”形夹、15I和14I管件(320 U2除外)。
装运重量约为285磅(129.3千克)。
笔记:尺寸仅供参考。如果需要更详细的测量,请联系您的WCB代表。Waukesha Cherry Burrell(WCB)曲线用于帮助经过培训和合格的工程师初步选择泵。所有选择必须在下订单之前由授权的WCB人员审查。WCB不对因使用这些曲线而导致的未经授权或错误选择负责。
130-U2型
0-600 RPM转速范围。3”(76.2 mm)端口尺寸可用;适用于200 PSI(13.8 bar)压差。温度范围-40°F(-40°C)至300°F(149°C)。

|
|
A.
|
敖
|
B
|
人物配对关系
|
CP1
|
CP4
|
D
|
E
|
F
|
G
|
我
|
J
|
L
|
O
|
U
|
十、
|
2X
|
|---|---|---|---|---|---|---|---|---|---|---|---|---|---|---|---|---|---|
|
在里面
|
8.25 |
15.31 |
5.87 |
20.15 |
22.27 |
23.84 |
9.56 |
3.50 |
4.12 |
.53 |
10.99 |
5.06 |
15.77 |
7.31 |
1.625 |
5.37 |
10.75 |
|
嗯
|
210 |
389 |
149 |
512 |
566 |
606 |
243 |
89 |
105 |
13 |
279 |
129 |
401 |
186 |
41.28 |
136 |
273 |
CP=标准盖,CP1=夹套盖,CP4=手动通风盖,夹套盖的连接尺寸在006-U2至030-U2型上为¾“-14 NPT,在042-U2至220-U2型上为1“-11-½NPT。
尺寸“X”和“2X”适用于斜面阀座、“S”形夹、“Q”形夹、15I和14I管件(320 U2除外)。
大约装运重量305磅(138.3千克)。
笔记:尺寸仅供参考。如果需要更详细的测量,请联系您的WCB代表。Waukesha Cherry Burrell(WCB)曲线用于帮助经过培训和合格的工程师初步选择泵。所有选择必须在下订单之前由授权的WCB人员审查。WCB不对因使用这些曲线而导致的未经授权或错误选择负责。
模式180 - u2
转速范围为0-600转/分。可提供3英寸(76.2毫米)的端口尺寸;适用于450磅/平方英寸(31.0巴)的压差。温度范围为-40华氏度(-40摄氏度)至300华氏度(149摄氏度)。

|
|
A.
|
敖
|
B
|
人物配对关系
|
CP1
|
CP4
|
D
|
E
|
F
|
G
|
我
|
J
|
L
|
O
|
U
|
十、
|
2X
|
|---|---|---|---|---|---|---|---|---|---|---|---|---|---|---|---|---|---|
|
在里面
|
8.50 |
19.13 |
9 |
23.26 |
25.32 |
28.51 |
12.38 |
3.75 |
7.25 |
.53插槽 |
14.80 |
6.38 |
18.25 |
9.38 |
2 |
6.53 |
13.06 |
|
嗯
|
216 |
486 |
2.29 |
591 |
643 |
724 |
314 |
95 |
184 |
13槽 |
376 |
162 |
464 |
238 |
50.8 |
168 |
337 |
CP=标准盖,CP1=夹套盖,CP4=手动通风盖,夹套盖的连接尺寸在006-U2至030-U2型上为¾“-14 NPT,在042-U2至220-U2型上为1“-11-½NPT。
尺寸“X”和“2X”适用于斜面阀座、“S”形夹、“Q”形夹、15I和14I管件(320 U2除外)。
大约运输重量520磅(236.0公斤)。
笔记:尺寸仅供参考。如果需要更详细的测量,请联系您的WCB代表。Waukesha Cherry Burrell(WCB)曲线用于帮助经过培训和合格的工程师初步选择泵。所有选择必须在下订单之前由授权的WCB人员审查。WCB不对因使用这些曲线而导致的未经授权或错误选择负责。
210-U2型
0-600 RPM转速范围。4”(101.6 mm)端口尺寸可用;适用于500 PSI(34.5 bar)压差。温度范围-40°F(-40°C)至300°F(149°C)。

|
|
A.
|
敖
|
B
|
人物配对关系
|
CP1
|
CP4
|
D
|
E
|
F
|
G
|
我
|
J
|
L
|
O
|
U
|
十、
|
2X
|
|---|---|---|---|---|---|---|---|---|---|---|---|---|---|---|---|---|---|
|
在里面
|
12 |
22.38 |
11.63 |
27.08 |
28.58 |
-- |
13.88 |
5.25 |
8.00 |
.66 |
17.80 |
6.88 |
21.24 |
10.38 |
2.375 |
7.37 |
14.73 |
|
嗯
|
305 |
568 |
295 |
688 |
726 |
-- |
353 |
133 |
203 |
17 |
452 |
175 |
539 |
264 |
60.45 |
187 |
374 |
CP=标准盖,CP1=夹套盖,CP4=手动通风盖,夹套盖的连接尺寸在006-U2至030-U2型上为¾“-14 NPT,在042-U2至220-U2型上为1“-11-½NPT。
尺寸“X”和“2X”适用于斜面阀座、“S”形夹、“Q”形夹、15I和14I管件(320 U2除外)。
大约装运重量为915磅(415.0千克)。
笔记:尺寸仅供参考。如果需要更详细的测量,请联系您的WCB代表。Waukesha Cherry Burrell(WCB)曲线用于帮助经过培训和合格的工程师初步选择泵。所有选择必须在下订单之前由授权的WCB人员审查。WCB不对因使用这些曲线而导致的未经授权或错误选择负责。
213-U2型
0-600 RPM转速范围。4”(101.6 mm)端口尺寸可用;适用于500 PSI(34.5 bar)压差。温度范围-40°F(-40°C)至300°F(149°C)。

|
|
A.
|
敖
|
B
|
人物配对关系
|
CP1
|
CP4
|
D
|
E
|
F
|
G
|
我
|
J
|
L
|
O
|
U
|
十、
|
2X
|
|---|---|---|---|---|---|---|---|---|---|---|---|---|---|---|---|---|---|
|
在里面
|
12 |
22.38 |
11.63 |
27.08 |
- |
- |
13.88 |
5.25 |
8.00 |
.66 |
17.80 |
6.88 |
21.24 |
10.38 |
2.375 |
8.62 |
17.25 |
|
嗯
|
305 |
568 |
295 |
688 |
- |
- |
353 |
133 |
203 |
17 |
425 |
175 |
539 |
264 |
60.45 |
219 |
438 |
CP=标准盖,CP1=夹套盖,CP4=手动通风盖,夹套盖的连接尺寸在006-U2至030-U2型上为¾“-14 NPT,在042-U2至220-U2型上为1“-11-½NPT。
尺寸“X”和“2X”适用于斜面阀座、“S”形夹、“Q”形夹、15I和14I管件(320 U2除外)。
大约装运重量为915磅(415.0千克)。
笔记:尺寸仅供参考。如果需要更详细的测量,请联系您的WCB代表。Waukesha Cherry Burrell(WCB)曲线用于帮助经过培训和合格的工程师初步选择泵。所有选择必须在下订单之前由授权的WCB人员审查。WCB不对因使用这些曲线而导致的未经授权或错误选择负责。
220-U2型
0-600 RPM转速范围。4”(101.6 mm)端口尺寸可用;适用于300 PSI(20.7 bar)的压差。温度范围为-40°F(-40°C)至300°F(149°C)。

|
|
A.
|
敖
|
B
|
人物配对关系
|
CP1
|
CP4
|
D
|
E
|
F
|
G
|
我
|
J
|
L
|
O
|
U
|
十、
|
2X
|
|---|---|---|---|---|---|---|---|---|---|---|---|---|---|---|---|---|---|
|
在里面
|
8.50 |
19.13 |
9 |
24.00 |
26.06 |
29.25 |
12.38 |
3.75 |
7.25 |
.53插槽 |
14.80 |
6.38 |
18.49 |
9.38 |
2 |
6.63 |
13.25 |
|
嗯
|
216 |
486 |
229 |
610 |
662 |
743 |
314 |
95 |
184 |
13槽 |
376 |
162 |
470 |
238 |
50.80 |
168 |
337 |
CP=标准盖,CP1=夹套盖,CP4=手动通风盖,夹套盖的连接尺寸在006-U2至030-U2型上为¾“-14 NPT,在042-U2至220-U2型上为1“-11-½NPT。
尺寸“X”和“2X”适用于斜面阀座、“S”形夹、“Q”形夹、15I和14I管件(320 U2除外)。
大约装运重量590磅(268.0千克)。
笔记:尺寸仅供参考。如果需要更详细的测量,请联系您的WCB代表。Waukesha Cherry Burrell(WCB)曲线用于帮助经过培训和合格的工程师初步选择泵。所有选择必须在下订单之前由授权的WCB人员审查。WCB不对因使用这些曲线而导致的未经授权或错误选择负责。
模式320 - u2
0-600 RPM转速范围。6”(152.4 mm)端口尺寸可用;适用于300 PSI(20.7 bar)压差。温度范围-40°F(-40°C)至300°F(149°C)。

|
|
A.
|
敖
|
B
|
人物配对关系
|
CP1
|
CP4
|
D
|
E
|
F
|
G
|
我
|
J
|
L
|
O
|
U
|
十、
|
2X
|
|---|---|---|---|---|---|---|---|---|---|---|---|---|---|---|---|---|---|
|
在里面
|
12 |
22.38 |
11.63 |
27.66 |
29.16 |
-- |
13.88 |
5.25 |
8.00 |
.66 |
17.80 |
6.88 |
21.63 |
10.38 |
2.375 |
8.00 |
16 |
|
嗯
|
305 |
568 |
295 |
703 |
741 |
-- |
358 |
133 |
203 |
17 |
452 |
175 |
549 |
264 |
60.45 |
203 |
406 |
CP=标准盖,CP1=夹套盖,CP4=手动通风盖,夹套盖的连接尺寸在006-U2至030-U2型上为¾“-14 NPT,在042-U2至220-U2型上为1“-11-½NPT。
尺寸“X”和“2X”适用于斜面阀座、“S”形夹、“Q”形夹、15I和14I管件(320 U2除外)。
大约装运重量895磅(406.0千克)。
笔记:尺寸仅供参考。如果需要更详细的测量,请联系您的WCB代表。Waukesha Cherry Burrell(WCB)曲线用于帮助经过培训和合格的工程师初步选择泵。所有选择必须在下订单之前由授权的WCB人员审查。WCB不对因使用这些曲线而导致的未经授权或错误选择负责。
370-U2型
转速范围为0-600 RPM。可提供6”(152.4 mm)的端口尺寸;适用于200 PSI(13.8 bar)的压差。温度范围为-40°F(-40°C)至300°F(149°C)。

|
|
A.
|
敖
|
B
|
人物配对关系
|
CP1
|
D
|
E
|
F
|
G
|
我
|
J
|
L
|
O
|
U
|
十、
|
2X
|
|---|---|---|---|---|---|---|---|---|---|---|---|---|---|---|---|---|
|
在里面
|
12 |
22.38 |
11.63 |
29.16 |
30.66 |
13.88 |
5.25 |
8.00 |
.66 |
17.80 |
6.88 |
22.32 |
10.38 |
2.38 |
8.50 |
17 |
|
嗯
|
305 |
568 |
295 |
741 |
779 |
353 |
133 |
203 |
17 |
452 |
175 |
567 |
264 |
60.5 |
216 |
432 |
CP=标准盖,CP1=夹套盖,CP4=手动通风盖,夹套盖的连接尺寸在006-U2至030-U2型上为¾“-14 NPT,在042-U2至220-U2型上为1“-11-½NPT。
尺寸“X”和“2X”适用于斜面阀座、“S”形夹、“Q”形夹、15I和14I管件(320 U2除外)。
大约运输重量945磅(428.6公斤)
笔记:尺寸仅供参考。如果需要更详细的测量,请联系您的WCB代表。Waukesha Cherry Burrell(WCB)曲线用于帮助经过培训和合格的工程师初步选择泵。所有选择必须在下订单之前由授权的WCB人员审查。WCB不对因使用这些曲线而导致的未经授权或错误选择负责。



