自吸Ws +旨在处理清洁到位(CIP)返回和其他液体携入的空气和泡沫。独特的设计减少了能源消耗和噪音传统的液环泵通过使用高效叶轮,可以减少匹配一个特定的责任。Ws +雇佣了一个建在偏心空气螺杆形成所需的液环的自吸能力。
- 20 - 90%的效率比其他液体环由于改善流体流经泵。
- 性能优化叶轮大小相匹配的责任。
- 低噪音水平:由于其水力设计Ws +的噪音水平是远远低于传统的液环泵。
- 3(可选)和EHEDG批准。
- 可互换的W +部分。库存减少共享通用部分。
- 不容易损坏。小对象可以通过泵以最小的损伤。
批准的泵是EHEDG(欧洲卫生设备&设计集团)作为卫生泵也批准根据美国3 a标准(可选)。因此泵可以用作CIP以及一流的卫生产品泵。
Ws +系列包括3泵尺寸。
- Ws + 20/15
- Ws + 30/30
- Ws + 44/50
在50 Hz Ws +运营的最大压力94 psi(6.5条),流量396 GPM(90米3/小时,),而一个60 Hz值泵电机138 psi(9.5条)和484 GPM(110米3/小时)。
独特的设计
Ws +雇佣了一个独特的偏心螺丝和再循环回路生成处理所需的液环真空充气产品和生产。标准的设计允许使用离心组件匹配泵到一个特定的责任指向生产效率与液体环之前不能得到的。叶轮可以修剪,以进一步降低马力的要求。结果是更高的效率,降低功耗,简单的组件、低噪音。
插图的编号:
- 液体再循环回路
- 叶轮
- 偏心螺旋
APV Ws +使用一个独特的设计,结合了大多数液环泵的能力和效率的W +离心系列。由于客户现在可以处理携入的空气,把需求较低的权力
消费、低噪音和低成本。
Ws +雇佣了一个独特的空气螺杆,旋转在一个古怪的安排启动液室,和一个循环回路生成处理所需的液环真空充气产品和生产在吸入管。标准的设计允许使用离心泵组件配置泵到一个特定的责任指向生产效率与液体环之前不能得到的。叶轮可以修剪,以进一步降低功耗。
其结果是:
- 更高的效率
- 减少能源消耗
- 简单的组件
- 噪音更小
插图的编号:
- 空气螺杆
- 液环
空气螺杆旋转一个古怪的液环室形成液环
模型的20/15
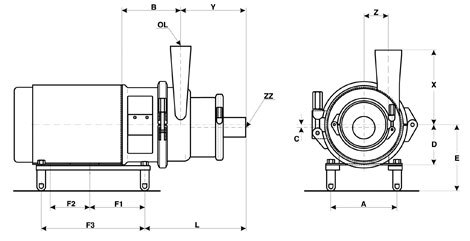
| 单位宽度高度 | ||||||||||||||
|---|---|---|---|---|---|---|---|---|---|---|---|---|---|---|
| 框架 | F1 (毫米) |
F2 (毫米) |
F3 (毫米) |
D (毫米) |
一个 (毫米) |
E (毫米) |
l (毫米) |
C 在 (毫米) |
B 在 (毫米) |
ZZ 在 (毫米) |
OL 在 (毫米) |
Z 在 (毫米) |
X 在 (毫米) |
Y 在 (毫米) |
| 145 tc | 3.75 (93.5) |
5.00 (127) |
10.25 (260.4) |
3.50 (88.9) |
5.50 (139.7) |
7.00 (177.8) |
9.46 (240) |
0.315 (8) |
5.98 (152) |
2.5 (63.5) |
2.0 (51.6) |
2.60 (66) |
8.47 (215) |
4.48 (190) |
| 182 tc | 4.37 (111) |
4.50 (114.3) |
11.37 (288.8) |
4.50 (114.3) |
7.50 (190.5) |
8.00 (203.2) |
9.87 (250) |
7.01 (178) |
||||||
| 184 tc | 5.50 (139.7) |
|||||||||||||
注意:尺寸仅供指导的目的。联系你的SPX流代表是否需yabo体育首页要更详细的测量。
模型的30/30
| 单位宽度高度 | ||||||||||||||
|---|---|---|---|---|---|---|---|---|---|---|---|---|---|---|
| 框架 | F1 (毫米) |
F2 (毫米) |
F3 (毫米) |
D (毫米) |
一个 (毫米) |
E (毫米) |
l (毫米) |
C 在 (毫米) |
B 在 (毫米) |
ZZ 在 (毫米) |
OL 在 (毫米) |
Z 在 (毫米) |
X 在 (毫米) |
Y 在 (毫米) |
| 184 tc | 4.37 (111) |
5.50 (139.7) |
11.37 (288.8) |
4.50 (114.3) |
7.50 (190.5) |
8.00 (203.2) |
12.12 (308) |
0.39 (10) |
6.14 (156) |
2.5 (63.5) |
2.0 (51.6) |
3.27 (83) |
9.06 (230) |
7.60 (193) |
| 213 tc | 5.38 (136.7) |
13.88 (352.6) |
5.25 (133.4) |
8.50 (215.9) |
8.75 (222.3) |
11.86 (301) |
||||||||
| 215 tc | 7.00 (177.8) |
6.25 (158.8) |
||||||||||||
| 254 tc | 6.50 (165.1) |
8.25 (209.6) |
18.00 (457.2) |
10.00 (254) |
9.75 (267.7) |
12.12 (308) |
6.77 (172) |
|||||||
注意:尺寸仅供指导的目的。联系你的SPX流代表是否需yabo体育首页要更详细的测量。
模型的44/50
| 单位宽度高度 | ||||||||||||||
|---|---|---|---|---|---|---|---|---|---|---|---|---|---|---|
| 框架 | F1 (毫米) |
F2 (毫米) |
F3 (毫米) |
D (毫米) |
一个 (毫米) |
E (毫米) |
l (毫米) |
C 在 (毫米) |
B 在 (毫米) |
ZZ 在 (毫米) |
OL 在 (毫米) |
Z 在 (毫米) |
X 在 (毫米) |
Y 在 (毫米) |
| 145 tc | 3.75 (93.5) |
5.00 (127) |
10.25 (260.4) |
3.50 (88.9) |
5.50 (139.7) |
7.00 (177.8) |
9.46 (240) |
0.315 (8) |
5.98 (152) |
2.5 (63.5) |
2.0 (51.6) |
2.60 (66) |
8.47 (215) |
4.48 (190) |
| 182 tc | 4.37 (111) |
4.50 (114.3) |
11.37 (288.8) |
4.50 (114.3) |
7.50 (190.5) |
8.00 (203.2) |
9.87 (250) |
7.01 (178) |
||||||
| 184 tc | 5.50 (139.7) |
|||||||||||||
注意:尺寸仅供指导的目的。联系你的SPX流代表是否需yabo体育首页要更详细的测量。







